Вы здесь
Аварийный выключатель ВД-1 220В
Выключатель дистанционный ВД-1 220В обеспечивает экстренное отключение или местную блокировку пуска грузовых конвейеров, индикацию в сработанном положении, а также внешнюю диагностику подходящей и отходящей линии подключения. Выключатель может использоваться, как с автоматической фиксацией отключенного положения, так и без фиксации.
Технические характеристики
Усилие срабатывания, Н, не более | 170 |
Усилие возврата, Н, не менее | 90 |
Угол поворота штока ,град, не более | 13 |
Количество коммутируемых линий | 2 |
Напряжение в линии, В, не более | 250 |
Ток в линии, А, не более | 3 |
Габаритные размеры, мм | 135х85х175 |
Масса, кг, не более | 2 |
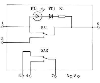
Схема электричекская принципиальная выключателя ВД-1 220В
Общий вид
1-корпус, 2-приводной вал, 3-вводное устройство, 4-камера ввода, 5-крышка камеры ввода, 6-окно индикации, 7-поводок.
Приводной вал проходит наружу через отверстие в корпусе. К нему жестко закреплен поводок, на который и производится воздействие при работе выключателя.
В камере ввода расположены элементы индикации и клеммы для подключения кабелей. На задней части корпуса расположена планка 9, с элементами крепления 12, для установки выключателя на конвейере. На поводке 7 находятся коуши 8 для подсоединения кабель – троса или троса.
Внутри корпуса расположены приводной вал, система подпружиненных рычагов, устройство фиксации, исполнительные герметизированные контакты и узел диагностики.